Q1.
An electric bulb is connected to a power supply of 220 V. If the current drawn by the bulb from the supply is 500 mA, the power of the bulb is:
(a) 11 W
(b) 110 W
(c) 220 W
(d) 1100 W
CBSE 2025(31/2/1)
Q2.
Four identical resistors of 12 Ω each are connected in series to form a square ABCD as shown in the figure. The resistance of the network between the two points 1 and 2 is :

(a) 48 Ω
(b) 9 Ω
(c) 36 Ω
(d) 6 Ω
CBSE 2025(31/2/1)
Q3.
A piece of wire of resistance ‘R’ is cut lengthwise into three identical parts. These parts are then connected in parallel. If the equivalent resistance of this combination is R’, then the value of R/R’ is:
(a) 1/9
(b) 1/3
(c) 3
(d) 9
CBSE 2025(31/4/2)
Q4.
An electric bulb is rated 220 V; 11W. The resistance of its filament when it glows with a power supply of 220 V is:
(a) 4400 Ω
(b) 440 Ω
(c) 400 Ω
(d) 20 Ω
CBSE 2025(31/4/1)
Q5.
The minimum number of identical bulbs of rating 4V; 6W, that can work safely with desired brightness, when connected in series with a 240 V mains supply is:
(a) 20
(b) 40
(c) 60
(d) 80
CBSE 2025 (31/4/1)
Q6.
The electrical resistivity of three materials A, B and C at 20°C is given below:

(i) Classify these materials as conductor, alloy and insulator.
(ii) Give one example of each of these materials and state one use of each material in the design of an electrical appliance say an electric stove or an electric iron.
CBSE 2025 (31/4/1)
Q7.
Assertion (A) : Nichrome is an alloy which is commonly used in electrical heating devices such as electric irons, toasters, etc.
Reason (R) : The resistivity of nichrome is high and its resistance decreases with increase in temperature.
CBSE 2025(31/2/1)
Q8.
In case of four wires of same material, the resistance will be minimum if the diameter and length of the wire respectively are
(a) \(\frac{D}{2} \) and \(\frac{L}{4}\)
(b) \(\frac{D}{4}\) and 4L
(c) 2D and L
(d) 4D and 2L
CBSE 2024(31/3/2)
Q9.
A wire of resistance R is cut into three equal parts. If these three parts are then joined in parallel, calculate the total resistance of the combination so formed.
CBSE 2025(31/1/1)
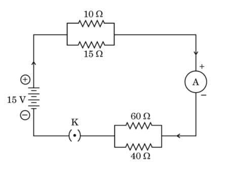
Q10.
Consider the following electric circuit:

Calculate the values of the following :
(a) The total resistance of the circuit
(b) The total current drawn from the source
(c) Potential difference across the parallel combination of 10 Ω and 15 Ω resistors
CBSE 2025 (31/1/1)
Q11.
(a) Write the relationship between resistivity and resistance of a cylindrical conductor of length l and area of cross-section A. Hence derive the SI unit of resistivity.
(b) Why are alloys used in electrical heating devices?
CBSE 2025(31/1/1)
Q12.
An electric kettle is rated 750 W; 220 V. Can this kettle be used in a circuit which has a fuse of current rating 3 A ? Give reason for your answer.
CBSE 2025(31/2/1)
Q13.
Three resistors of 2 Ω, 3 Ω and 6 Ω are connected in (i) series, and (ii) parallel. Draw the arrangements of the resistors and find the equivalent resistance of each arrangement.
CBSE 2025(31/2/1)
Q14.
An electric kettle is rated 230 V; 1000 W. Calculate the resistance of its heating element when in operation.
CBSE 2025 (31/3/1)
Q15.
The resistance of a wire of 0.01 cm radius is 7 ohms. If the resistivity of the material of the wire is 44 x 10-6 ohm meter, calculate the length of the wire.
CBSE 2025(31/5/1)
Q16.
Use Ohm’s law to determine the potential difference across the 3 Ω resistor in the circuit shown in the following diagram when key is closed:

CBSE 2024(31/2/1)
Q17.
(a) The resistance of a metal wire of length 3 m is 60 Ω. If the area of cross-section of the wire is 4 x10-7 m², calculate the electrical resistivity of the wire.
(b) State how would electrical resistivity be affected if the wire (of part ‘a’) is stretched so that its length is doubled. Justify your answer.
CBSE 2024(31/1/1)
Q18.
(i) Define electric power. Express it in terms of potential difference (V) and resistance (R).
(ii) An electric oven is designed to work on the mains voltage of 220 V. This oven consumes 11 units of electrical energy in 5 hours. Calculate:
(a) power rating of the oven
(b) current drawn by the oven
(c) resistance of the oven when it is red hot
CBSE 2024(31/1/1)
Q19.
Study the circuit shown in which two resistors X and Y of resistances 3Ω and 6Ω respectively are joined in series with a battery of 2 V.

(a) Draw a circuit diagram showing the above two resistors X and Y joined in parallel with same battery and same ammeter and voltmeter.
(b) In which combination of resistors will the (i) potential difference across X and Y and (ii) current through X and Y, be the same?
(c) Find the current drawn from the battery by the series combination of the two resistors (X and Y).
(d) Determine the equivalent resistance of the parallel combination of the two resistors (X and Y).
CBSE 2025(31/6/1)
Q20.
As shown in the diagram, an electric circuit consisting of an ammeter, a voltmeter, 4 cells of 1∙5 V each, a plug key with a gap XY was set up. Voltmeter and ammeter readings were recorded in the observation table for four arrangements as given below : Arrangement No. 1 – only resistor R1 in gap XY
Arrangement No. 2 – only resistor R2 in gap XY
Arrangement No. 3 – Resistors R1 and R2 in series in gap XY
Arrangement No. 4 – Resistors R1 and R2 in parallel in gap XY

Based on the observations, four V – I graphs A, B, C and D as shown in figure were drawn. Study these graphs.

(a) Which one of the graphs represents the series combination of R1 and R2 ?
(b) Which one of these graphs represents the parallel combination of R1 and R2 ?
(c) Show an arrangement of three resistors, each of resistance 10 Ω, so that the combination has a resistance of 15 Ω. Give justification for your answer.
(d) A battery of 6 V is connected with a series combination of five resistors of 0∙1 Ω, 0∙2 Ω, 0∙3 Ω, 0∙4 Ω and 0∙5 Ω. How much current would flow through the 0∙3 Ω resistor ? Justify your answer.
CBSE 2025(31/3/1)